
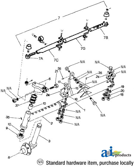
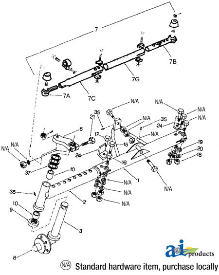
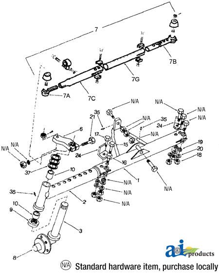
This is a A-WF29152 Tie Rod Assy.-cmplt. PN: WF29152Main Description As Following : A-WF29152 Tie Rod Assy.-cmplt. P.N: WF29152 A-WF29152 Tie Rod Assy.-cmplt. P.N: WF29152 Crossed From: 1139-35939 JOHN DAY Found in Section & Models : Schwartz/Speeco > Speeco Axle Parts, (Miscellaneous) (UNDEFINED): SEVERAL Associated Items : New Also This is An Aftermarket Product And : High Quality Afternaket Shipped from Both US and Canada